- トップ
- アルミ電解コンデンサアプリケーションガイド
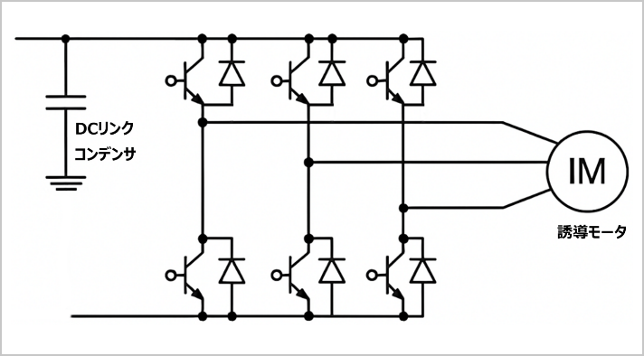
- EV向けカーエアコン用電動コンプレッサー制御装置
EV向けカーエアコン用電動コンプレッサー制御装置
(EV Air Conditioner Compressor Controller)


EV用エアコンコンプレッサ制御装置は、車室内の快適性を維持しつつ、バッテリーの温度管理にも貢献する重要なユニット
高効率な制御と安定した動作が、EVの航続距離や安全性、乗員の快適性を大きく左右
<コンデンサ提案>
高容量化、高リプル化による少ない個数基板でのご提供(省スペース化)
弊社製品ラインナップからのご提案一例
(詳細については、お問い合わせをお願いします)
| 現行 | 部品削減 (基板面積低減) |
|
|---|---|---|
| コンデンサタイプ |
アルミニウム 電解コンデンサ |
アルミニウム 電解コンデンサ |
| 基板面積 |
|
|
| 使用個数 | 3個 | 1個 |
| 実装面積 | 768mm2 | 324mm2 |
| シリーズ | UBTシリーズ | UBRシリーズ |
| 定格 | 450V/33µF | 450V/100µF |
| サイズ | φ16 x 30.5L[mm] | φ18 x 31.5L[mm] |
| 定格リプル |
0.203Arms at 125°C 120Hz |
0.78Arms at 125°C 120Hz |
| トータル容量 | 99µF | 100µF |
| トータルリプル |
0.609Arms at 125°C 120Hz |
0.78Arms at 125°C 120Hz |
| 耐久性 | 125°C 2000 h | 125°C 5000 h |
| 備考 | — | — |
| 詳細 | 詳しく見る | 詳しく見る |
注目製品 「UBR」シリーズのご紹介 (高圧小形長寿命品 125℃ 5000時間)
| シリーズ | UBRシリーズ |
|---|---|
| 定格電圧範囲 | 450V |
| 定格静電容量範囲 | 39µF ~ 180µF |
| カテゴリ温度範囲 | -40°C ~ 125°C |
| 製品寸法 | φ12.5mm×31.5mmL ~ φ18mm×50mmL |
| 耐久性 | 125°C 5,000時間保証 (定格リプル電流重畳) |
| 端子形状 | リード形 |
寸法表
| 定格電圧 (V) (コード) |
定格静電容量 (µF) |
サイズ φD×L (mm) |
tanδ | 漏れ電流 (µA) (2分値/20°C) |
定格リプル電流 (mArms) |
品 番 |
|---|---|---|---|---|---|---|
| 450 (2W) |
39 | 12.5×31.5 | 0.24 | 802 | 360 | UBR2W390MND |
| 50 | 12.5×35.5 | 0.24 | 1000 | 400 | UBR2W500MND | |
| 60 | 12.5×40 | 0.24 | 1180 | 500 | UBR2W600MND | |
| 100 | 18×31.5 | 0.24 | 1900 | 780 | UBR2W101MND | |
| 120 | 18×36 | 0.24 | 2260 | 850 | UBR2W121MND | |
| 140 | 18×40 | 0.24 | 2620 | 980 | UBR2W141MND | |
| 160 | 18×46 | 0.24 | 2980 | 1120 | UBR2W161MND | |
| 180 | 18×50 | 0.24 | 3340 | 1230 | UBR2W181MND |
リード加工品、テーピング加工品の品番は、品番コードの末尾に加工記号を明記し、12 桁目のサイズコードがないものは品番コード12 桁目に「1」を入れてください。
アプリケーションガイド
- アプリケーションガイド
- 電動パワーステアリング(1)
- 電動パワーステアリング(2)
- 車載用ポンプ制御装置
- 48V系
- 統合型スターター・
ジェネレーター - 車載用コンプレッサ
- 車載用コントローラー・
エリア・ネットワーク - 先進運転支援システム
- 電動ブレーキ
- 車載充電器
- サーバー用AC/DC電源(1)(AC/DC Power Supply for Servers)
- サーバー用AC/DC電源(2)(AC/DC Power Supply for Servers)
- サーバー用AC/DC電源(3)(AC/DC Power Supply for Servers)
- サーバー用AC/DC電源(4)(AC/DC Power Supply for Servers)
- 携帯電話通信網用基地局
- EV向けカーエアコン用電動
コンプレッサー制御装置